Registro

¡Estamos traduciendo nuestra tienda online al español! 

Pero como tenemos muchos productos y páginas, esto lleva tiempo. Mientras tanto, nuestro catálogo de productos estará en inglés. Gracias por su paciencia.

Condiciones del filtro
60%
  • [D] Diameter (Shaft) (mm)
  • [L] Length (Shaft) (mm)
      [20-1000/1mm unidades]
    • Material
          • Stainless Steel (martensitic)
        • Surface Treatment
        • Type
        • CAD
        • Días estimados de envío
          • Todo
          • En el plazo de 7 días laborables

        Linear shafts / hollow

        Número de pieza:

        Sin liquidar. 8 candidatos encontrados.
        Cantidad:

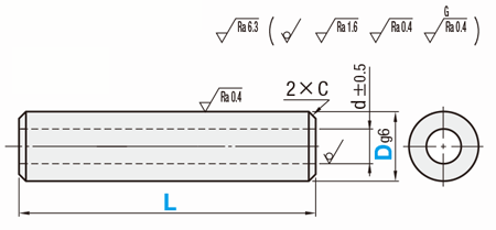
        Plano de contorno y tabla de especificaciones

         

        Straight
        Shafts - Hollow Shafts: Related Image
        [ ! ]For plated products, the surface roughness of D part is {{{attr4}}}; and for unplated products, it is {{{attr5}}}.
        [ ! ] For the change in L dimension tolerance, consider the alteration LKC shown below.
         
        Type[M] Material[H] Hardness[S]Surface Treatment
        SPJEN 1.3505 Equiv.Induction Hardened
        EN 1.3505 Equiv. 58HRC~
        EN 1.4125 Equiv. 56HRC~
        SSPJEN 1.4125 Equiv.
        PSPJEN 1.3505 Equiv.Hard Chrome Plating
        Plating Hardness: HV750 or more
        Plating Thickness: 5µ or More
        RSPJEN 1.3505 Equiv.Low Temperature Black Chrome Plating

        [!] Plating is not applied to the inside of hollow shafts, taps, bored holes and lateral holes, etc. Therefore, they may rust.
        [ ! ] L Dimension Tolerance, Circularity, Straightness, Perpendicularity, Concentricity, and Changes in Hardness
        [ ! ] Annealing may lower hardness at shaft end machined areas (effective thread length + approx. 10 mm).  
        [ ! ] About Hollow Shaft Wall Thickness Deviations, see
        [ ! ] Machined areas may be out of O.D. tolerances due to annealing-induced deformation.
        Tolerance Table of Dimensions L
        Dimension RangeTolerance
        (㎜)
        Overor less
        0.53±0.1
        36±0.1
        630±0.2
        30120±0.3
        120400±0.5
        4001000±0.8
        10002000±1.2
        [ ! ]Compliant with JIS B 0405
        Class m (Medium Class).
        • Hard chrome plating is applied after surface treatment of the base material, so there is no plating on the processed parts.
        • In the example below, only "///" area is treated with hard chrome plating.

        * Hollow shaft interior surfaces are not plated. Therefore, they may rust.

        Ex. Plating Remains: Stepped, Threaded Shaft, Set Screw Flat

        /// Part: Plating Remains

        Shafts - Hollow Shafts   Related Image 1_Plating Layer
         

        Specification Table

        Part NumberL
        SPJ20350
        Part Number
        L
        1 mm Increments
        D Tol.
        d
        C
        TypeD
        EN 1.3505 Equiv.
        Stainless
        Steel
        EN 1.3505 Equiv.
        Stainless
        Steel
        Hollow TypeSPJ
        SSPJ(Stainless Steel
        * marked sizes only)
        PSPJ
        RSPJ(D ≤30、L ≤500)
        6
        20 to 600N/A
        -0.004
        -0.012
        2
        N/A
        0.5 or Less
        8
        20 to 80020 to 300
        -0.005
        -0.014
        3
        3
        0.5 or Less
        10
        20 to 80020 to 400
        -0.005
        -0.014
        4
        4
        0.5 or Less
        12
        20 to 100020 to 500
        -0.006
        -0.017
        6
        5
        0.5 or Less
        13
        25 to 100025 to 500
        -0.006
        -0.017
        7
        5
        0.5 or Less
        16
        30 to 120030 to 600
        -0.006
        -0.017
        10
        6
        0.5 or Less
        20
        30 to 120030 to 800
        -0.007
        -0.020
        14
        8
        1.0 or Less
        25
        35 to 120035 to 1000
        -0.007
        -0.020
        16
        10
        1.0 or Less
        30
        35 to 150035 to 1000
        -0.007
        -0.020
        17
        12
        1.0 or Less
        35
        35 to 1500N/A
        -0.009
        -0.025
        19
        N/A
        1.0 or Less
        40
        50 to 1500N/A
        -0.009
        -0.025
        20
        N/A
        1.0 or Less
        50
        60 to 1500N/A
        -0.009
        -0.025
        26
        N/A
        1.0 or Less

        Alteration Details

        ·See below for alteration.
         * When selecting multiple alterations, the distance between machined areas should be 2 mm or more.
         * Alteration may lower hardness.
        Alterations
        Code
        Alteration Details Fixed DimensionApplicable Conditions Ordering Example
        DKC

        O.D. Tolerance Change to h5

        Shafts - Hollow Shafts   Related Image 1_Alteration Details

        Dh5 Tolerance
        60
        -0.005
        8·100
        -0.006
        12 to 160
        -0.008
        20 to 300
        -0.009
        35 to 500
        -0.011
        [NG] Not applicable to Stainless Steel and Low Temp. Chrome Plated ShaftsSPJ30-250-DKC
        LKC

        Precisely change L dimension and tolerance

        Shafts - Hollow Shafts   Related Image 2_Alteration Details

        ·L < 200→L±0.03
        ·200 ≤ L < 500→L±0.05
        ·L ≥ 500→L±0.1
        [ ! ]L Dimension can be specified in 0.1 mm incrementsSPJ30-250.5-LKC
        VC
        WVC

        Adds boring to one end and both ends

        (Used as pilot holes)
        Shafts - Hollow Shafts   Related Image 3_Alteration Details

        DVH7
        106
        128
        1310
        1612
        2016
        25·3020
        35·4024
        5030
        [ ! ] K = 1 mm Increments
        [ ! ]3 < K ≤ V × 2
        One End: SPJ30-250-VC-K5
        Both Ends: SPJ30-250-WVC-K10
        SC
        WSC

        Wrench Flats at One Locations
        Wrench Flats at Two Locations
        Shafts - Hollow Shafts   Related Image 4_Alteration Details

        DWℓ1
        658
        87
        108
        121010
        1311
        1614
        2017
        2522
        302715
        3530
        403620
        5041
        [ ! ]WSC, X = 1 mm Increments
        [ ! ] When D ≤ 25,
        WSC+X+ℓ1 × 2 < L,
        WSC ≥ M × 2, X ≥ M × 2
        [ ! ] When D ≥ 30,
        WSC+X+ℓ1 × 2 < L,
        WSC ≥ 0, X ≥ 0

        [NG] Due to deviation in the angle of alterations, it will not be on the same plane.
         
        SPJ30-250-WSC12-X8

         

        RH
        LH

        Lateral Hole on One Side
        Shafts - Hollow Shafts   Related Image 5_Alteration Details

        Dd1 Dd1
        102 (2) 206 (4)
        123 (2) 25·306 (5)
        133 (2) 35·408
        165 (3) 5010
        * Values in () are for Stainless Steel Shafts
        [ ! ] RH, LH = 1 mm Increments
        [ ! ] d1 + 1 < RH, LH ≤ D × 3
        [ ! ] The hollow I.D. "d" may vary due to the wall thickness deviations.
        [ ! ] Burrs might remain inside after alteration.
        [ ! ] Positional relationship with other alteration is random.

        [NG] Due to deviation in the angle of alterations, it will not be on the same plane.
         
        [NG] Not applicable when interfering with other alteration
        SPJ30-250-RH10-LH10

        Circularity (M), Straightness (K), L Dimension Tolerance, Perpendicularity Back to Drawing

        Shafts - Hollow Shafts   Related Image 1_Circularity
        ■Straightness Measurement Method
        Shafts - Hollow Shafts   Related Image 2_Circularity
        Shaft ends are supported on V-blocks and turned 360 degrees to measure shaft runout using a dial indicator.
        1/2 of measured runout is defined as the straightness.
        ■Circularity M
        Shaft Outer Dia. g6 (Hardening)
        DCircularity M
        Overor Less
        5130.004
        13200.005
        20400.006
        40500.007
        Unit: mm
        ■Straightness K
        Shaft Outer Dia. g6 (Hardening)
        DLStraightness K
        6 to 50L ≤ 1000.01 or Less
        L > 100(L/100) × 0.01 or Less
        Unit: mm

         

        ■L Dimension Tolerance
        Shaft Outer Dia. g6 (Hardening)
        LL Dimension
        Tolerance
        Overor Less
        1930±0.2
        30120±0.3
        120400±0.5
        4001000±0.8
        10001500±1.2
        Unit: mm

        ■About hollow shaft wall thickness deviations and internal diameters

        Depending on the material, hollow shafts will vary in wall thickness deviation (A–B) and internal diameter (d).

        O.D.
        (D)
        EN 1.3505 Equiv.EN 1.4125 Equiv.
        Wall Thickness DeviationI.D.Wall Thickness DeviationI.D.
        6R0.3 or Less2
        80.4 or Less31.5 or Less3
        1044.0 or Less4
        1265
        1375
        16106
        20148
        250.6 or Less1610
        301.0 or less1712
        3519
        401.5 or Less20
        5026
        Unit: mm
        Shafts - Hollow Shafts: Related Image
         Deviation Value = A - B
         I.D. = d

         

        * Hollow shaft interior surfaces are not plated. Therefore, they may rust.

        Notes on Hardening and Surface Treating

        ■Reduced Hardness around Machined Areas

        ·Although processing is performed after the base material is hardened, annealing may lower hardness of the machined area.
        * Reduced Hardness: Approximately 10 to 40 HRC

         

        ■Reduced Hardness Range

        ·Approximately 10 mm from the machined area

        (Example)
        Shafts - Hollow Shafts   Related Image 1_Reduced Hardness Range
         

        ■Machining area where hardness has lowered due to annealing

        ·Wrench Flats

         

        ■Reduced Hardness Range for Shafts with Cross-Drilled Hole

        For Shafts with Cross-Drilled Hole, the reduced hardness range by annealing varies depending on the material.
        ⇒EN 1.3505 Equiv.: Approximately 20 mm from the edge including the machined part
        ⇒EN 1.4125 Equiv. : Approximately 30 mm from the edge including the machined part

         
        Shafts - Hollow Shafts   Related Image 1_Reduced Hardness Range
         

        * Cross-drilled hole areas may be out of O.D. tolerances due to annealing-induced deformation.

         

        ■Effective Hardened Layer Depth of Hardening

        The effective hardened layer depth varies depending on the external dimensions and materials.

        O.D. DEffective Hardened Layer Depth
        EN 1.3505 Equiv.EN 1.4125 Equiv.
        6 to 100.5 or More0.5 or More
        12·130.7 or More
        16·200.7 or More
        25 to 501.0 or More
         

        ■About hard chrome plating and plating layer of processed part

        • Hard chrome plating is applied after surface treatment of the base material, so there is no plating on the processed parts.
        • In the example below, only "///" area is treated with hard chrome plating.

        * Hollow shaft interior surfaces are not plated. Therefore, they may rust.

        Ex. Plating Remains: Stepped, Threaded Shaft, Set Screw Flat

        /// Part: Plating Remains

        Shafts - Hollow Shafts   Related Image 1_Plating Layer
         

        ■Peeling of Through Hole Plating

        ·Due to the deburring process on the through holes, there may be some peeling of the plating layer near the machining area.

         

        /// Part: Peeled plating part

        Shafts - Hollow Shafts   Related Image 1_Plating Peeling
         

        Difference Between Shaft and Rotary Shaft

        ■ Basic Specifications

        SpecificationsShaftsRotary Shaft
        MaterialEN 1.3505 Equiv.
        EN 1.4125 Equiv.
        EN 1.1191 Equiv.
        EN 1.4301 Equiv.
        EN 1.1191 Equiv.
        EN 1.4301 Equiv.
        EN 1.7220 Equiv.
        HardeningInduction HardenedHardness: 30 to 35 HRC
        O.D. Tolerance g6/h5f8g6/h9/h7g6
        Surface TreatmentNo Plating
        Hard Chrome Plating
        Low Temperature Black Chrome Plating
        Electroless Nickel Plating (Surface Treatment Fully Plated Type)
        Hard Chrome PlatingNo Plating
        Black Oxide
        Electroless Nickel Plating
        Black Oxide
        Electroless Nickel Plating

        * Hard chrome plating leaves no plating layer on the machined part.

         

        ■ Alteration

        AlterationsShaftsRotary Shaft
        L Dimension Tolerance L < 200⇒L±0.03
        200 ≤ L < 500⇒L±0.05
        L ≥ 500⇒L±0.1
        L < 500⇒L±0.05
        L ≥ 500⇒L±0.1
        Not applicable when L ≥ 800
        Wrench FlatsCan be specified up to 2 LocationsCan be specified up to 1 Location
        Set Screw Flat Can be specified up to 2 LocationsCan be specified up to 3 Locations
        2 Set Screw FlatsCan be specified up to 2 Locations
        Angle Specified: Fixed
        Can be specified up to 1 Location
        Angle Specified: Configurable in 15 degree Increments
        V Groove Can be specified up to 2 Locations
        KeywayCan be specified up to 2 Locations
        Processing of Stepped Part: Not Possible
        Can be specified up to 4 Locations
        Processing of Stepped Part: Possible
        UndercutM6 to M30M3 to M30
        Tapped DepthPossiblePossible
        Retaining Ring GrooveCan be specified 2 Locations
        (It will be a retaining ring type instead of alterations)
        2 locations on D part, 1 location each on stepped part can be combined
        Slit Cam Groove Can be specified up to 1 Location
        Concentricity Possible
        Left-hand Thread / Thread Possible
        Slit AddedCan be specified up to 1 Location
        C Chamfering WidthPossible

        Lista de números de pieza

        Número de artículos

        [D] Diameter (Shaft)

        (mm)

        [L] Length (Shaft)

        (mm)

        Material

        Surface Treatment

        Hardness

        RoHS?Cantidad mínima de pedido
        8
        20 - 300
        [Stainless Steel (martensitic)] EN 1.4037 Equiv.
        No Treatment
        Induction Hardening (56HRC - )
        10
        1 piezas
        10
        20 - 400
        [Stainless Steel (martensitic)] EN 1.4037 Equiv.
        No Treatment
        Induction Hardening (56HRC - )
        10
        1 piezas
        12
        20 - 500
        [Stainless Steel (martensitic)] EN 1.4037 Equiv.
        No Treatment
        Induction Hardening (56HRC - )
        10
        1 piezas
        13
        25 - 500
        [Stainless Steel (martensitic)] EN 1.4037 Equiv.
        No Treatment
        Induction Hardening (56HRC - )
        10
        1 piezas
        16
        30 - 600
        [Stainless Steel (martensitic)] EN 1.4037 Equiv.
        No Treatment
        Induction Hardening (56HRC - )
        10
        1 piezas
        20
        30 - 800
        [Stainless Steel (martensitic)] EN 1.4037 Equiv.
        No Treatment
        Induction Hardening (56HRC - )
        10
        1 piezas
        25
        35 - 1000
        [Stainless Steel (martensitic)] EN 1.4037 Equiv.
        No Treatment
        Induction Hardening (56HRC - )
        10
        1 piezas
        30
        35 - 1000
        [Stainless Steel (martensitic)] EN 1.4037 Equiv.
        No Treatment
        Induction Hardening (56HRC - )
        10
        1 piezas
        Precio unitario (IVA no incluidos)(precio unitario IVA incluidos)
        Fecha de envío estándar
        -
        (
        -
        )
        7 días laborables
        -
        (
        -
        )
        7 días laborables
        -
        (
        -
        )
        7 días laborables
        -
        (
        -
        )
        7 días laborables
        -
        (
        -
        )
        7 días laborables
        -
        (
        -
        )
        7 días laborables
        -
        (
        -
        )
        7 días laborables
        -
        (
        -
        )
        7 días laborables

        Información detallada

        Información básica

        Contorno y especificaciones

        App. Example

        Shafts - Hollow Shafts: Related Image

        Surface Limits / Hardness - Linear Shafts

         

        Limits of hardness and hardening depth

        The linear shafts are processed after the base material has undergone inductive hardening. Therefore, the processed surfaces may result in a deviating hardness.
        In the following example, you can view the affected areas of the linear shaft, which may be affected after processing by e.g. threads, level surfaces, key surfaces and transverse bores.

         

        Limitation of linear shaft induction hardening

         

        Cause for deviating hardness

        The raw material of the linear shaft is treated via thermal induction before grinding. Thus, a configured linear shaft can be custom-made not only cost-effectively, but also with short delivery times. The linear shaft is hardened at the boundary layer (boundary layer hardening) of the liner shaft. The depth of the hardened boundary layer depends on the material used and the diameter of the linear shaft. The following table shows the hardening depth of linear shafts.
        Coatings and plating are applied to the raw material after hardening and grinding. For more information, see Coatings of the Linear Shaft.

         

        Boundary layer hardening of a linear shaft

        Figure of boundary layer hardening: hardened boundary layer in light gray

         

        Effective hardening depth of linear shafts

        Outside diameter (D)Effective hardening depth
        EN 1.1191 equiv.EN 1.3505 equiv.EN 1.4125 equiv.EN 1.4301 equiv.
        3-+0.5+0.5Without induction hardening
        4-
        5-
        6 - 10+0.3
        12 - 13+0.5+0.7+0.5
        15 - 20+0.7
        25 - 50+0.8+1

        Overview of the effective hardening depth as PDF

         

        Coatings of the linear shaft

        The surface coating is applied to the raw material before machining the linear shaft. Thanks to their coating, the usable surface or work surface of the linear shaft is not only protected against corrosion but also against wear.
        Machined positions of the linear shafts, such as plane surfaces or threads, may be uncoated, as they are added afterwards. This can lead to the machined surfaces being corroded in a linear shaft made of steel. If the linear shaft is used in a corrosive environment, it is recommended to use a stainless steel linear shaft.
        The following figure shows the areas of the linear shaft that are coated (crosshatched). 

         

        Surface coating after processing the linear shaft

        Figure: Coating of linear shafts

         

        You can find further information on surface treatment and hardness in this PDF .

         

        General Information - Linear Shafts

         

        Linear Shaft Selection Details

        - Material: steel, stainless steel

        - Coating/plating: uncoated, hard chrome plated, LTBC coated, chemically nickel-plated

        - Heat treatment: untreated, inductively hardened

        - ISO tolerances: h5, k5, g6, h6, h7, f8

        - Precision classes: perpendicularity 0.03, concentricity (with thread and increments) Ø0.02, perpendicularity 0.20, concentricity (thread and stepper) Ø0.10

        - Linearity/roundness: depends on diameter, here for the PDF

         

        Overview of the shaft designs as PDF

         

        Description / basics of the linear shaft

        Linear shafts are steel shafts that perform guiding tasks in combination with linear bearings, such as plain bearing bushings or linear ball bushings. Linear shaft holding functions can be adopted from shaft holders or linear ball bearing adapters. Most linear shafts are heat-treated (induction hardened) solid shafts. A special design of linear shafts is the hollow shaft, which is also called tubular shaft. Inductively hardened linear shafts have a high surface hardness and a tough core. The achievable surface hardness is approx. 55-58 HRC (see information on hardening depth). Linear shafts made of stainless steels can generally not be hardened. Therefore, these steel shafts should be chrome plated to protect them from wear.

         

        Materials

        Linear shafts are mainly hardened steel shafts. In addition to the selected heat treatment, the steel used in particular imparts its properties to the linear shaft, although it is a hollow shaft or a solid shaft. Therefore, special aspects such as hardness, corrosion and wear must be considered when selecting the shaft steel.

         

        Coatings

        To protect linear shafts from corrosion, the surface can be chemically nickel-plated. As an alternative to chemical nickel-plating, steel shafts can also be coated with LTBC. The LTBC coating is an anti-corrosive surface coating and it is a low-reflection coating, made of a 5 μm thick film of fluoropolymer, which in essence is a black film. In addition, the LTBC coating is resistant to bursting pressure by extreme or repeated bending. LTBC-coated linear shafts are thus particularly suitable for locations where corrosion or light reflections are undesirable. Linear shafts that require particularly high surface hardness and wear resistance can be hard chrome plated.

         

        Function

        The form and function of linear shafts differ from linear guiderails. Linear guiderails are square rails that work in combination with carriers (rotary elements, carriages) according to the rolling or sliding principle. Linear shafts on the other hand are precision-ground round steel shafts that take on a linear guide function in conjunction with linear ball bushings or plain bearing bushings (maintenance-free bushings).

         

        Areas of Application

        Linear shafts are intended for axial motion. Whether horizontal or vertical linear motion, all linear motions can be implemented with linear shafts. Common applications are stroke mechanisms and other applications with high demands on smoothness, precision and service life. Linear shafts can therefore be used in almost all industries of plant construction and mechanical engineering. Linear shafts are often found in 3D printers, metering equipment, measuring devices, positioning devices, alignment devices, bending devices and sorting equipment.

         

        Instructions for Use / Installation  - Linear Shafts

         

        For product selection, please observe the linear shaft tolerances (e.g. h5, k5, g6, h6, h7, f8) in conjunction with the diameter tolerance of the plain bearing bushing (sliding bearing) after pressing in or the running circle diameter of the linear ball bearing (ball bushing).

         

        Diameter change of linear ball bushings after pressing  Inner diameter of linear ball bushings or ball bushings

         

        Shaft Fasteners

         

        Application Example of a Linear Shaft - Linear Shafts with Linear Ball Bushings - Linear Shafts with Shaft Holder
        Application Example of a Linear Shaft Application Example - Linear Shaft with Linear Ball Bearings - Linear Ball Bearings with an Adjusting Ring
        Application Example of a Linear Shaft - Linear Shaft with Shaft Holder
        Application Example of a Linear Shaft - Linear Shaft with Circlip Groove - Linear Shaft with Circlip
        Application Example of a Linear Shaft - Linear Shaft with Holding Washer
        Application Example of a Linear Shaft - Linear Thread - Outer Threaded Linear Shaft - Linear Threaded with inner and outer threads
        Application Example of a Linear Shaft - Cross Bore Linear Shaft - Inner Thread Linear Shaft
        Application Example of a Linear Shaft - Cross Bore Linear Shaft - Outer Thread Linear Shaft

           

        Supplementary Article

         

        Shaft holder

        Product range of shaft holders

         

        Adjusting rings/clamping rings

        Product range of adjusting rings - product range of clamping rings

         

        Linear ball bearing

        Product range of linear ball bearings - product range of ball sleeves - linear ball bearing with housing

         

        Plain bearing bushings

        Product range of sliding bearing bushings - plain bearing with housing

         

        Ball guides

        Ball guide product range

         

        Industrial Applications

         

        3D printer industry
        3D printer industry
        Automotive industry
        Automotive industry
        Pharmaceutical industry
        Pharmaceutical industry
        Packaging industry
        Packaging industry